EOS 46.U XL
Hinterwandofen
Unsichtbare Montage - Hinterwandmodell für den finnischen Saunabetrieb
Spezielle, extra flache Konstruktion für unsichtbare Installation hinter einer Trennwand. Nur 22 cm Platzbedarf bis zur Trennwand!
Sehr platzsparend, erhöhte Sicherheit im Gebrauch durch unsichtbare Installation.
Sehr robust und zuverlässig. Innen- und Außenmantel komplett aus Edelstahl. Bodenblech als Tropfwannenkonstruktion. Steinkorb mit Aufgusswanne über ganze Ofenbreite.
Steinkorb mit ca. 20 kg Steinvolumen.
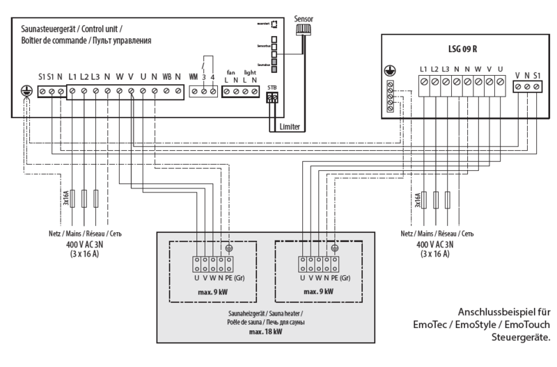
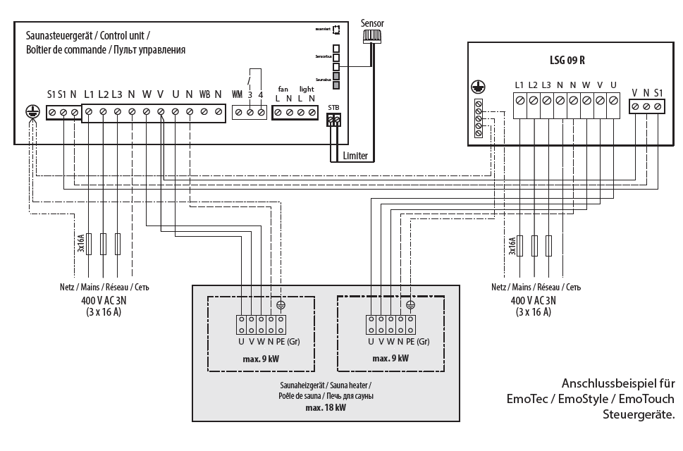
Hinweis: 46.U XL Modelle benötigen eine zusätzliche Übertemperatursicherung (STB).
Inklusive Zubehör:
- Aufgusstrichter mit 1 m Silikonschlauch
- Sicherheitsgitter aus Edelstahl 1600 mm
| Leistung | Art.-Nr. |
|---|---|
| 15,0 kW | 94.7219 |
| 18,0 kW | 94.7222 |
- Sehr flaches Design - nur 20 cm tief.
- Spart wertvollen Platz in der Sauna.
- Hohe Sicherheit dank der unsichtbaren, versteckten Montage.
- Bietet trotzdem die Möglichkeit für Aufgüsse - Holztrichter im Lieferumfang enthalten.
- Mit Abdeckschutzgitter - damit keine Gegenstände unbeabsichtigt auf den Ofen herunterfallen können.
- Robuste, langlebige Konstruktion aus Edelstahl.
- Steinkorb mit ca. 20 kg Steinvolumen.
Elektrischer Anschluss | 400 V 3N AC 50 Hz |
Absicherung Steuergerät | 3 x 16 A |
Gerätemaße H/B/T, in cm | 87 / 144 / 20 |
für Kabinenvolumen (15,0 / 18,0 kW) | 18 - 25 m³ / 24 - 30 m³ |
Mindestmaß der Be- und Entlüftung | 2x 60 x 5 cm |
Gewicht ohne Steine und Verpackung (15,0 / 18,0 kW) | 44 kg / 45 kg |
Steinfüllung | 20 kg |
LSG erforderlich | EMOTEC L09 R |







